欢迎光临康百世液压工业销售中心
136-9218-9994
首页
关于我们
产品中心
新闻资讯
在线留言
联系我们
柱塞泵+齿轮泵
叶片泵
液压阀
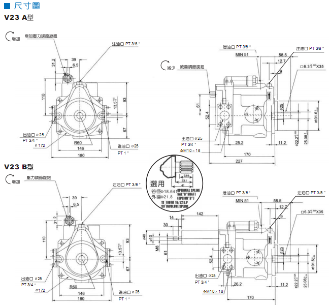
V23系列柱塞泵
当前位置:
首页
>
柱塞泵+齿轮泵
V23系列柱塞泵
上一條
返回目录
下一條